众所周知,交流耐压是考核电力变压器绝缘强度的最有效的方法。随着试验装置的开发,故在《预规》中规定对更换绕组的变压器均应进行耐压试验,对10kV及以下的变压器为1~5年做定期耐压试验,对66kV及以下的变压器在大修后做耐压试验。进行此项试验必须在其他试验都正常的情况下进行,如绝缘电阻、吸收比、极化指数、泄漏电流、tgδ及绝缘油耐压等试验。如发现有缺陷,应在处理完好后再进行耐压,以免造成不应有的绝缘击穿。耐压试验方法如下。
1、外施电压法(加1min工频电压),它用于全绝缘变压器或分级绝缘的中性点耐压及低压绕组的耐压试验。
2、倍频感应法。它用于分级绝缘变压器的耐压试验。
3、操作波感应试验法。它是用来考核变压器绝缘耐操作过电压的能力的试验,对220kV大型变压器,允许用操作波耐压代替倍频感应耐压来考核变压器的主绝缘和纵绝缘。
(1)按被试变压器的电压,容量和电容来选择试验变压器。其应输出的电流为:
I=ωCX×U(MA)
ω=2πƒ
式中 CX一一变压器电容量,μF;
U一一试验电压,kV。
其所需电源容量为P=ωCXU2×10-3(kVA),一般不得超载运行。当试验变压器不能满足耍求时,可以采用串联谐振成套试验装置。其他的设备还有调压器,过流保护,电压测量装置,保护球间隙,保护电阻,控制装置等,一般在成套设备中都已经配备好,但需要进行调试。
(2)在进行耐压前,其他试验必须合格。油浸变压器若经滤油或运输,应静置一段时间再试验。(对500kV的72h以上,220及330kV的48h以上,110kV及以下的24h以上。)
(3)接上被试变压器,接通电源,从零开始升压,升压速度从75%试验电压后应以每秒2%试验电压均匀升压。
(4)升压过程中,应监视高压回路和变压器有无异常。如有异常,应查明原因并降压停电。升到试验电压后保持1min,然后降压并断开电源。并对变压器进行放电。
(5)试验前后应测量绝缘电阻且应无明显差别。
由于操作波试验具有简单、经济、便于现场使用的优点,故允许用来代替倍频感应耐压来考核变压器的主绝缘和纵绝缘。
(1)波形及试验电压。波形如图4-3所示。其中波头时间(Tcr)应≥1OOμS;波尾(TZ)时间应≥1000μS;超过90%规定峰值持续时间(Td(90))应≥200μS,反峰电压值(U2m)不大于试验电压的50%(试验电压值可参见预规的表6)。

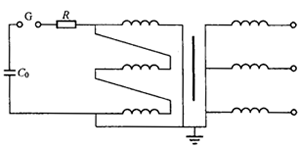
(2)基本接线方式。单相变压器接线如图4-4所示,三相变压器接线如图4-5及图4-6所示。


试验的具体接线及各元件的参数,对于不同电压等级和容量的变压器,可根据具体情况计算而得。(详见DL 474.6-1992导则部分)
(3)将全电压与0.5、0.75倍试验电压下的电压、电流进行比较,便可判断变压器是否出现故障。当主绝缘击穿时,电压突然截断并产生振荡,电流也突然上升。当匝间或段间绝缘损坏时,(如短路)被试端电压幅值降低,波头时间变短,波尾时间缩短,中性点示伤电流峰值超前于电压过零时间。

(4)具体的安全注意事项可参见《DL 474.6-1992导则》。
某变电所有二台变压器,容量为8000kVA,电压为35kV。要对其进行工频交流耐压试验,选择试验变压器。已知其高压对低压及地(外壳)的电容为7000PF。
根据《预规》要求:35kV变压器的定期试验电压值按部分交换绕组电压值,即72kV考虑,交接试验电压值按全换绕组考虑,即85kV。按上述计算公式,I=UWCX=72×103×314×7000×10-12=158×10-3A,P=100×103×158×10-3=15.8kVA,选择100kV原因是考虑到35kV系统的其他高压设备也可使用。(电流和电压互感器为72kV,少油断路器为95kV,绝缘子为100kV,阀式避雷器为50kV,隔离开关为95kV)。
按上述计算可选取ZC-501A-20kVA/100kV型试验变压器。
一台三相电力变压器,容量90MVA,电压220kV进行操作波感应耐压试验。试验接线如图4-7所示。

在50%试验电压下的电压波形出现异常,波峰处波形出现一个凹陷,如图4-8所示。
分析放电回路,G1击穿后,C1通过R2向C2、T3放电,由于T3中电流不能突变,实际上是C1向C2充电,而C1>C2形成波形的上升部分,经Tcr时间后UC2≈UC1,并维持大于200μS时间,若球隙G1间隙调得过大,造成G1熄弧,熄弧后,C2向T3放电,C2上电压下降,当UC1>UC2时,G1又被击穿,C1又向C2,T3放电,UC2回升,这就形成波形中的凹陷,最后C1,C2共同向T3放电,形成试验电压波形的波尾部分。经调整G1后,凹陷便消失,避免了误判断。

对某台变压器进行操作波试验时,在示波图上出现如图4-9(a)所示波形,即电压升至击穿点后便突然下跌,随之产生振荡,而电流则同时突升。这种波形属于永久性的主绝缘击穿。
对另一台变压器进行操作波试验时,电压波下降后又回升,形成马鞍形,如图4-9(a)所示,电流则发生突变和振荡,此种波形属于由于油的灭弧作用使故障点绝缘恢复。
对一台有金属性匝间短路变压器进行试验时,其电压幅值由于匝电流去磁作用而降低,同时由于短路点损耗使电容放电加快,波尾部分电压明显下凹,而电流则基本不变,第二峰值提前出现(电阻损耗影响),如图4-9(c)所示。
对匝间发生火花放电的情况,由于火花熄灭使电压下跌又回升,形成一个凹陷,电流在对应点有振荡,整个波形无明显变化,如图4-9(d)所示。
