目前高压开关在正常使用期间,维护量很少,尤其是SF6高压开关、真空高压开关等,基本上属于免维护型,本体和液压机构不解体。但现场还是需要按《规程》定期维护。每5年进行操作试验就是其中维护内容,测量分合闸时间和分合闸不同步程度等。
1.固有分闸时间。它是由发布分闸命令(指分闸回路接通)起到灭弧触头刚分离的一段时间。
2.合闸时间。它是由发布合闸命令(指合闸回路接通)起到最后一相的主灭弧触头刚接触为止的一段时间。
3.分闸和合闸同步差。它是指分闸或合闸时三相之差。
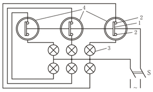
测量接线图如图1-1所示。

图1-1(a)中,先合开关5.然后合电源开关6,电秒表1和分闸绕组3的电路同时接通,电秒表1开始计时;而同时分闸绕组起动高压开关分闸,而开关触头2分开,电秒表因电源停电而停止计时,此时电秒表记录的时间即为高压开关的固分时间。如图1-2(b)所示,先合开关5,后合开关6,此时合闸绕组4和电秒表1同时接通,电秒表开始计时,当高压开关的动触头接通时,电秒表停止计时,此时电秒表记录的时间为高压开关的合闸时间。
电秒表虽然简单,但因受电秒表本身的启动时间和电源开关不同步等给测量带来误差,使分散性较大,应该至少测3次,取其平均值。但没有更先进的测量仪器时,测量比较简单。
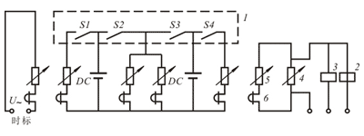
(1)可人工慢分、慢合开关,可用各相行程的差值近似估算高压开关动作的同步差,接线图如1-2所示。

灯泡3与高压开关4的动、静触头串联,合上电源开关S,观看慢分、慢合过程中灯泡亮暗先后次序,也就是各相动静触头接触或分离的先后次序,用直尺量各相的行程差,以此来大概估算三相动作的同步差。
(2)对于快速高压开关,应采用示波器录波或数字式毫秒表测量同步差,可得到准确结果。测量接线图如图1-4和1-5所示。目前使用的光线示波器,也不用冲洗胶卷,直接在感光线上用日光灯或太阳光照射即可,非常方便。
用示波图可以计算分合闸和不同时期。如时间tab,为ab段所跨越的时标周波数乘以时标的周期T。时标频率f=1000Hz,则周期T=1/f=1(ms),即tab=nT(ms).其中,n为ab段所跨越的时标周波数。
三相高压开关也可以按图1-3接线进行测量。这样二次录波,就可以把分合闸和同步差测量出来。



目前,由于科技的发展,对高压开关特征测量制造出多种型号的整套测量仪器,不但使用方便,而且测量数据准确;一台高压开关动特性测试仪,可以测量各种参数。如我公司生产的ZC-300B高压开关特性测试仪,适合各种高压开关测量分、合闸时间、同期性;合分闸瞬时、平均及最大速度,以及升距、超距等;还能测量弹跳时间、次数及弹跳最大幅度等。
ZC-300B高压开关特性测试仪具有以下功能及特点:
1、仪器可自动识别断口分、合闸状态,并根据参考断口状态提示相对应的合、分操作。
2、独立的6断口,可检测并提示断口的连接状态,方便用户检查接线。
3、机内可存储100组测试结果。
4、大屏幕液晶(320×240)LCD显示, 高级灰屏,阳光下不反光不黑屏,图文及汉字菜单操作提示,人性化菜单式界面,操作简便。
5、仪器具有强大的图形分析功能,实现波形和测量处理数据同屏显示,使测试过程更直观。
6、机内带有延时保护功能,断路器动作后能自动切断线圈电压,很好的保护了断路器和测试仪器。
7、本仪器可进行电动和手动分合测试。
8、可进行高、低电压实验,自动寻找最低分或合闸电压。
9、重合闸试验,可做合分、分合,分合分等参数测量。
10、真空接触器(单线圈)参数测量。