直流电压是指单极性(正或负)的持续电压,它的幅值用算术平均值表示。由高电压整流装置产生的电压包含有纹波的成分。因此,高压绝缘试验中使用的直流电压,是由极性、平均值和纹波因数来表示的。
根据不同试品的要求,试验电压应能满足试验的极性和电压值,还必须具有充分的电源容量。纹波因数是指纹波幅值与其直流电压算术平均值之比。纹波幅值是指纹波的最大值与最小值之差的一半。在输出工作电流下直流电压的纹波因数S应按式(1)计算,且S不大于3%(见图1),即:
S=Umax-Umin/2Ud×100% (1)
式中:
Umax——直流电压的最大值;
Umin——直流电压的最小值;
Ud——直流电压的平均值。

在现场直流电压绝缘试验中,为了防止外绝缘的闪络和易于发现绝缘受潮等缺陷,通常采用负极性直流电压。
产生直流高电压,主要是采用将交流高电压进行整流的方法。普遍使用高压硅堆作为整流元件。电源一般使用工频电源;对于电压较高的串级整流装置,为了减轻设备的重量,也广泛采用中频电源。获得直流高电压的回路很多,可根据变压器、电容器、硅堆等元件的参数组成不同的整流回路。现场常用的基本回路有半波整流回路、倍压整流回路和串级整流回路。表1-1给出了这些回路的接线图、直流电压及其纹波因数。
| 整流型式 | 接线图 | 直流电压 | 纹波因素 | 符号说明 |
| 半波整流 |
![]() |
Ud﹦Um‐Id/2Cƒ | S﹦Id/2CƒUd |
T——试验变压器; C——滤波电容器; D——整流硅堆; R——保护电阻器; Ud——直流电压(平均值); Um——整流电压峰值; Id——被试品直流电流(平均值); ƒ——电源频率; S——电压波形因素; n——发生器串接级数。 |
| 倍压整流 |
![]() |
Ud﹦2Um‐3Id/2Cƒ | S﹦Id/2CƒUd | |
| 串级整流 |
![]() |
Ud﹦2nUm‐Id/6Cƒ·(4n2﹢3n2﹢2n) | S﹦[n(n﹢1)Id]/4CƒUd | |
| 注:纹波因数S的汁算式只适用于正弦波电源。 | ||||
1.2.2.1 保护电阻器
为了限制试品放电时的放电电流,保护叶堆、微安表及试验变压器,高压侧保护电阻器的电阻值可取:
R=(0.001~0.01)×(Ud/Id) (2)
式中:
R——高压侧保护电阻器的电阻值,Ω;
Ud——直流试验电压值,V;
Id——试品电流,A。
Id较大时,为减少R发执,可取式中较小的系数。R的外绝缘应能耐受幅值为Ud的冲击电压,并留有适当裕度。推荐参照表1-2所列的数值选用。
|
直流试验电压 (kV) |
电阻值 (MΩ) |
电阻器表面绝缘长度不小于 (mm) |
| 60及以下 | 0.3~0.5 | 200 |
| 140~160 | 0.9~1.5 | 500600 |
| 500 | 0.9~1.5 | 2000 |
高压保护电阻器通常采用水电阻器,水电阻管内径一般不小于12mm。采用其他电阻材料时应注意防止放电短路。
1.2.2.2 硅堆
高压硅堆上的反峰电压使用值不能超过硅堆的额定电压,其额定整流电流应大于工作电流,并有一定的裕度。
在利用硅堆整流而其单个的电压不够,需要采用多只串联的办法时,必须注意使其电压分布均匀。为此,通常宜采用并联电阻和电容的方法。从现场易于实现的角度来看,也可以仅并联均压电阻,其数值一般为硅堆反向电阻的1/3~1/4。如按此值所选的电阻值过高而不易达到时,可适当减小为1000MΩ。
1.2.2.3 滤波电容器
试验小电容量的试品并要求准确读取电流值时,例如测量带并联电阻的阀型避雷器电导电流时,应加滤波电容器。滤波电容器一般取0.01μF~0.1μF。对于电容量较大的试品,如电缆、发电机、变压器等,通常不用滤波电容器。
对泄漏电流很小,并仅作粗略检查性的试验,如测量断路器支持瓷套及拉杆的泄漏电流,也可不用滤波电容器。
1.3.1.1 高压电压测量装置的校验
ZC-540直流高压发生器输出电压应经认可的直流高压标准测量装置校验,其测量的不确定度应不大于3%。
1.3.1.2 高压侧电流测量装置的校验
高压侧电流回路中串接一块直流标准电流表进行校验,标准电流表的准确度应比高电压侧电流测量装置标称的准确度高两级,高电压侧电流测量装置的测量不确定度应不大于0.5%。
1.3.1.3 短时稳定度
ZC-540直流高压发生器在开机5min内,输出电压的漂移值应不大于额定输出电压的1%。
1.3.1.4 校验周期
ZC-540直流高压发生器应每年校验一次。
对现场搭建的直流高压试验回路要测量纹波系数。
1.3.2.1 用示波器测量纹波
图1-2中高电压电容器C隔离直流成分,应使Rm≧1/ωC,则纹波成分全部出现在Rm上,示波器显示Rm上的纹波。如果纹波成分比较大,可以在Rm上抽头,按一定的比例将一部分纹波送至示波器。

1.3.2.2 用标准电容器和整流电路串联测量纹波
将标准电容器与全波整流器及微安表串联,接到被测电压的两端(见图1-3),纹波幅值Us与流过标准电容器的整流电流平均值Is的关系为:
Us=Is/2Cƒ (3)
式中:
C——标准电容器的电容量;
ƒ——纹波的基波频率。

现场电气设备的绝缘有一端直接接地的,也有不直接接地的,微安表的接线位置视具体情况有下列数种接线(见表1-3)。
表1-3中序号1和2接线图测量准确度较高,宜尽量采用。序号3测量误差较大,宜尽量不采用,只有在测量条件受到限制时才采用。
| 微安表位置 | 序号 | 试验接线 | 符号说明 | |
| 微安表接在高压侧 | 1 |
![]() |
DC——高电压整流装置; R——保护电阻器; C——滤波电容器; Rv——高值电阻器; PA1——毫安表; PA2——微安表; Cx——被试品。 |
|
| 微安表接在低压侧 | 被试品对地绝缘 | 2 |
![]() |
|
| 被试品直接接地 | 3 |
![]() |
||
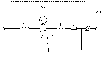
为了防止在试验过程中损坏微安表,微安表应加装保护,图1-4为其保护接线图。L、Cm和C用来延缓试品击穿放电的电流陡度,防止微安表活动线圈匝间短路或对磁极放电。其中串联电阻r为:
r=UF/IdH×1.2 (4)
r——串联电阻,MΩ;
UF——放电管放电电压,V;
IdH——微安表满刻度值,μA。
如果采用外接短路开关,一般只在读表时方才断开开关。
短路开关和微安表的接线必须正确,泄漏电流的引线必须先接到短路开关上,然后再用导线从短路开关上引到微安表,以避免试品击穿和试品放电时,烧坏微安表(见图1-5)。


3.1 容许偏差
如果试验待续时间不超过60s,在整个试验中试验电压的测量值应保持在规定电压值的±1%以内,当试验持续时间超过60s时,在整个过程中试验电压测量值应保持在规定电压值的±3%以内。
注:容许偏差为规定值与实测值之差,它与测量误差不同,测量误差是指测量值与真值之差。
3.2 对测量系统的一般要求和现场测量,应符合GB/T 16927.1和GB/T 16927.2的要求。
当直流电压加至被试品的瞬间,流经试品的电流有电容电流、吸收电流和泄漏电流。电容电流是瞬时电流,吸收电流也在较长时间内衰减完毕,最后逐渐稳定为泄漏电流。一般是在试验时,先把微安表短路1min,然后打开进行读数。对具有大电容的设备,在1min还不够时,可取3min~10min,或一直到电流稳定才记录。但不管取哪个时间,在对前后所得结果进行比较时,必须是相同的时刻。
绝缘良好的试品,内部泄漏电流很小。因此,绝缘表面的泄漏和高压引线的杂散电流等都会造成测量误差,必须采取屏蔽措施。
对处于高压的微安表及引线,应加屏蔽。
试品表面泄漏电流较大时,应加屏蔽环予以消除。
如果采用的微安表接在表1-3序号3的位置的接线,试验装置本身泄漏电流又较大时,应在未接入试品之前记录试验电压各阶段的泄漏电流,然后在试验结果中分别减去这些泄漏电流值。
试验宜在干燥的天气条件下进行。
试品表面应抹拭干净,试验场地应保持清洁。
试品和周围的物体必须有足够的安全距离。
因为试品的残余电荷会对试验结果产生很大的影响,因此,试验前要将试品对地直接放电5min以上。
直流耐压试验和泄漏电流试验一般都结合起来进行。即在直流耐压的过程中,随着电压的升高,分段读取泄漏电流值,而在最后进行直流耐压试验。
对试品施加电压时,应从足够低的数值开始,然后缓慢地升高电压,但也不必太慢,以免造成在接近试验电压时试品上的耐压时间过长。从试验电压值的75%开始,以每秒2%的速度上升,通常能满足上述要求。
将试验电压值保待规定的时间后,如试品无破坏性放电,微安表指针没有向增大方向突然摆动,则认为直流耐压试验通过。
温度对泄漏电流的影响是极为显著的。因此,最好在以往试验相近的温度条件下进行测量,以便于进行分析比较。
泄漏电流的数值,不仅和绝缘的性质、状态,而且和绝缘的结构、设备的容量等有关,因此,不能仅从泄漏电流的绝对值泛泛地判断绝缘是否良好,重要的是通过观察其温度特性、时间特性、电压特性及长期以来的变化趋势来进行综合判断。
试验完毕,切断高压电源,一般需待试品上的电压降至1/2试验电压以下,将被试品经电阻接地放电,最后直接接地放电。对大容量试品如长电缆、电容器、大电机等,需长时间放电,以使试品上的充电电荷放尽。另外,对附近电气设备,有感应静电电压的可能时,也应予以放电或事先短路。经过充分放电后,才能接触试品。对于在现场组装的倍压整流装置,要对各级电容器逐级放电后,才能进行更改接线或结束试验,拆除接线。
对电力电缆、电容器、发电机、变压器等,必须先经适当的放电电阻对试品进行放电。如果直接对地放电,可能产生频率极高的振荡过电压,对试品的绝缘有危害。放电电阻视试验电压高低和试品的电容而定,必须有足够的电阻值和热容量。通常采用水电阻器,电阻值大致上可用每千伏200Ω~500Ω。放电电阻器两极间的有效长度可参照高压保护电阻器的表面绝缘长度(见表1-2)。放电棒的绝缘部分总长度不得小于1000mm,其中自握手护环到放电电阻器下端接地线连接端的长度ι'为700mm,握手部分为300mm,如图1-6所示。
