半波整流电路及其测量接线如图1-2所示。一般用于测量大容量变压器、电缆等泄漏电流和进行直流耐压试验。

半波整流电路分为以下几部分。
这部分包括试验变压器T2、自耦式调压器T1和控制保护装置等。理想情况下,输出的直流高压Ud=√2U1=√2KU2,式中K为试验变压器T2的变比;U1、U2为其一次二次侧电压。当要求直流高压准确度高时,如用于测量避雷器泄漏电流时,必须从高压侧直接测量直流高压。如用换算值则可能误差较大。
整流部分包括高压硅堆和稳压电容器(滤波电容器),作用是整流滤波,获得较理想的直流波形。一般情况下,高压硅堆的额定反峰电压应大于所加最高交流电压有效值的2√2倍,额定电流也应满足试验电流的要求。
多只硅堆串联时,为了使每只硅堆电压分配均匀,需并联均压电阻R,其数值一般为硅堆反向电阻的1/3~1/4倍。
稳压电容器电容C的选择:当试验电压为3~10kV时,C>0.06μF;15~20kV时,C>0.015μF;30kV以上时,C>0.01μF。
因大容量设备,如大型发电机、变压器、电缆等试品本身电容量较大,测量其泄漏电流或进行直流耐压试验时,可以不加稳压电容。
保护电阻R1的作用是限制被试品击穿时短路电流,保护试验变压器、硅堆及微安表。一般采用水电阻作为保护电阻。选用原则是:当试品击穿时,既能将短路电流限制在硅堆的最大允许电流之内,又能使控制保护装置的过流保护可靠动作。正常工作时水电阻上压降不宜过大(应在试验电压的1%以下),一般按10Ω/V取值。试验中常用有机玻璃管、透明硬塑料管冲水制成,其表面爬电距离常按3~4kV/cm考虑。
微安表用于测量泄漏电流。表的量程可以根据试品的种类适当选择。在测量中微安表有三种接线方式:
(1) 微安表接在试品高压端,如图1-2中PA1位置。
这种接线的有点是测出的泄漏电流准确,排除了部分杂散电流的影响,接线简单。缺点是微安表处于高电位,必须有良好的绝缘屏蔽;微安表位置距离实验员较远,读数不便,更换量程不易。另外,有一些微安表头在高电压磁场下易极化,造成较大的测量误差。在被试品接地端无法断开时常采用这种接线。
(2) 微安表接在高压试验变压器T2的一次(高压)绕组尾部,如图1-2中PA2位置。
这种接线的微安表处于低电位,具有读数安全、切换量程方便等优点。一般成套直流高压装置中的微安表采用这种接线。这种接线的缺点是高压导线等对地部分的杂散电流均通过微安表,测量结果误差较大,如图1-3所示。

(3) 微安表接在试品低压端,如图1-2中PA3位置。
当被试品的接地端能与地断开并有绝缘时(如避雷器),可采用这种接线方法。这种接线的微安表处于低电位,高压引线等部分杂散电流不经过微安表,读数、切换量程方便,屏蔽容易。推荐尽可能采用这种接线。

一般专用的微安表保护回路,如图1-4所示。图中C1是滤波电容,滤掉测量回路中的交流分量并保证放电管稳定放电,减少指针摆动,便于读数。其数值可为0.5~5μF/150V。当回路中出现超过微安表量程的泄漏电流时,放电管迅速放电,将微安表两端短路。以保护微安表。放电管放电电压一般约50~100V。
R1为增压电阻、微安表流过较大电流时,增压电阻R1增加放电管两端压降,使放电管放电。R1的数值可按下式计算
R1=U/I×106,Ω
式中 U——放电管实际放电电压,V;
I——微安表满量程电流,μA。
电感线圈L一般取1H左右。其作用是防止突然短路时放电管来不及动作,冲击电流损坏微安表。通常电感线圈可用电能表电压线圈或小变压器绕组代替。
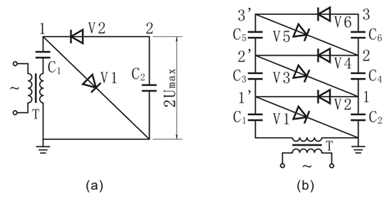
当需要较高的直流高压时,如对35kV电缆进行直流耐压试验,对110kV及以上磁吹及氧化锌避雷器进行泄漏电压试验时,就要采用倍压及三级串接整流,其接线如图1-5所示。

倍压整流[见图1-5(a)]可以输出对地为2Umax的直流高压。其原理为:当电源电压为正半波时(变压器接地端为负),变压器经过硅堆V1导通,对C1充电到Umax;负半波时,变压器与电容C1的电压叠加,经硅堆V2对电容C2充电,如果C1≥C2,则C2经过一个周波充到2Umax;一般C1=C2,所以C2经若干周波后充到2Umax,即为变压器输出电压峰值的2倍。串接式整流装置也是根据以上原理制成的,其接线如图1-5(b)所示。理想情况下(即不考虑效率及损耗),图中1、2、3电的对地电压值分别可达到2Umax、4Umax、8Umax。
近年来,随着电子技术的广泛应用,研制出了晶体管直流高压试验仪器和以倍压整流产生高压或经可控硅逆变器再进行倍压整流获得高压的直流高压发生器。如我公司自行研发生产的ZC-540系列直流高压发生器,电压等级从60~400kV,且设备体积小,重量轻,广泛应用于试验现场。其使用与操作可参照ZC-540系列直流高压发生器说明书进行。
ZC-540系列直流高压发生器是根据新的中国电力行业标准DL/T848.1-2004《直流高压发生器通用技术条件》设计制造的新一代便携式直流高压试验器。主要适用于电力部门、厂矿企业动力部门、科研单位、铁路、化工、发电厂等对氧化锌避雷器、磁吹避雷器、电力电缆、发电机、变压器、开关等高压电气设备进行直流耐压试验。采用中频倍压电路,PWM中频脉宽调制技术,使电压稳定度大幅度提高。根据电磁兼容性理论,采用特殊屏蔽、隔离和接地等措施,使直流高压发生器在额定电压下放电而不损坏仪器。
直流高压的测量方法一般有以下几种:
在半波整流电路中,通过ZC-501A试验变压器的变比及测量变压器低压侧电压,可近似换算出直流高压值,即:
UDC=√2KU2
式中 UDC——被试品上所加直流电压,V;
K——变压器变比;
U2——变压器低压侧电压有效值,V。
这种测量方法由于忽略了被试品的泄漏电压及保护电阻的压降等,精度不高。在对直流高压精度要求不高时可采用。
对不同范围的直流高压选用不用量程的高压静电电压表,可以直接测出输出电压。这种测量虽精度较高,但由于现场使用不便,一般只在室内试验时采用。
图1-2示出的高压测量就是采用高压电阻R串联微安表PA的测量方法。这种方法的优点是高压直接测量,测量范围很广,高电阻经过严格校定以后,测量精度也可以保证。测量原理就是根据欧姆定律。
电阻R可采用金属膜电阻、碳膜电阻,要求阻值稳定,随温度变化电阻作有规律的变化或不变化。电阻容量及表面爬距也负荷测量电压的要求。一般应将电阻装在密封绝缘筒内,并采取良好的均压措施,如装防晕帽、防晕环。绝缘筒表面应绝缘良好,减少电阻本体表面及绝缘表面的泄漏电流。必要时,微安表应进行屏蔽。
如图1-6所示,用一高值电阻R1串联一等值电阻R2测量R2上电压U2,再根据分压器的分压比K=(R1+R2)/R2,计算出被测高压U1=KU2=(R1+R2)/R2×U2。为安全起见,在R2电阻两端并联一低压放电管。

球隙测量直流高压的方法与交流电压测量方法基本相同。一般在直流电压很高时采用这种测量方法。